| 聯(lián)系我們 |
|
 |
地址:無錫市濱湖區(qū)胡埭鎮(zhèn)錢胡路1399號
電話:0510-85199008
傳真:0510-85192258
聯(lián)系人:趙經(jīng)理 13405760029
網(wǎng)址:www.www.hhyqg.com
郵箱:245604501@qq.com
|
|
|
|
| STW不銹鋼微型線性導(dǎo)軌 |
|
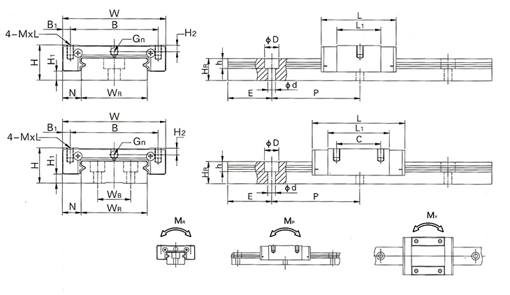
型號
|
組件尺寸
mm
|
滑塊尺寸
mm
|
滑軌尺寸
mm
|
額定
動載核
|
額定
靜載核
|
容許靜力矩
kgf.m
|
滑軌固定
螺栓尺寸
|
|
H
|
H1
|
N
|
W
|
B
|
B1
|
C
|
L1
|
L
|
M×L
|
WR
|
WB
|
HR
|
D
|
h
|
d
|
P
|
E
|
C(kgf)
|
C0(kgf)
|
MR
|
MP
|
MY
|
mm
|
|
STW
3C
|
4.5
|
1
|
3
|
12
|
-
|
-
|
4.5
|
10
|
15.2
|
M2×1.4
|
6
|
-
|
2.6
|
4
|
1.5
|
2.4
|
15
|
-
|
29
|
54
|
0.16
|
0.09
|
0.09
|
M2×L
|
|
STW
3L
|
8
|
15.1
|
20.1
|
38
|
91
|
0.26
|
0.19
|
0.19
|
|
STW
5C
|
6.5
|
1.5
|
3.5
|
17
|
13
|
2
|
-
|
13.6
|
20.6
|
M2.5×2
|
10
|
-
|
4
|
4.8
|
1.6
|
2.9
|
20
|
7.5
|
48
|
92
|
0.47
|
0.22
|
0.22
|
M2.5×6
|
|
STW
5L
|
-
|
17.6
|
24.6
|
63
|
134
|
0.7
|
0.42
|
0.42
|
|
STW
7C
|
9
|
2
|
5.5
|
25
|
19
|
3
|
10
|
22
|
31.4
|
M3×3
|
14
|
-
|
5.5
|
6
|
3.2
|
3.5
|
30
|
15
|
140
|
210
|
1.6
|
0.73
|
0.73
|
M3×8
|
|
STW
7L
|
19
|
32.5
|
42
|
180
|
320
|
2.39
|
1.58
|
1.58
|
|
STW
9C
|
12
|
3
|
6
|
30
|
21
|
4.5
|
12
|
28.5
|
38.8
|
M3×3
|
18
|
-
|
7
|
6
|
4.5
|
3.5
|
30
|
15
|
280
|
420
|
4.09
|
1.93
|
1.93
|
M3×8
|
|
STW
9L
|
23
|
3.5
|
24
|
40.4
|
50.5
|
350
|
600
|
5.56
|
3.47
|
3.47
|
|
STW
12C
|
14
|
3
|
8
|
40
|
28
|
6
|
15
|
31
|
44
|
M3×3.5
|
24
|
-
|
8
|
8
|
4.5
|
4.5
|
40
|
20
|
400
|
570
|
7.17
|
2.83
|
2.83
|
M4×10
|
|
STW
12L
|
28
|
46.3
|
59
|
520
|
840
|
10.47
|
5.85
|
5.85
|
|
STW
15C
|
16
|
4
|
9
|
60
|
45
|
7.5
|
20
|
39.4
|
55
|
M4×4.5
|
42
|
23
|
10
|
8
|
4.5
|
4.5
|
40
|
20
|
690
|
940
|
20.3
|
5.78
|
5.78
|
M4×12
|
|
STW
15L
|
35
|
58.7
|
74.5
|
910
|
1410
|
30.48
|
12.5
|
12.5
|
| | |  |
|