| 聯(lián)系我們 |
|
 |
地址:無錫市濱湖區(qū)胡埭鎮(zhèn)錢胡路1399號
電話:0510-85199008
傳真:0510-85192258
聯(lián)系人:趙經理 13405760029
網址:www.www.hhyqg.com
郵箱:245604501@qq.com
|
|
|
|
| GH直線導軌 |
GHH-CA / GHH-HA
|
型號
|
組件尺寸
mm
|
滑塊尺寸
mm
|
滑軌尺寸
mm
|
滑軌固定
螺栓尺寸
|
額定
動載核
|
額定
靜載核
|
容許
靜力矩
kgf.m
|
|
H
|
H1
|
N
|
W
|
B
|
B1
|
C
|
L1
|
L
|
K1
|
G
|
M×L
|
T
|
H2
|
H3
|
WR
|
HR
|
D
|
h
|
d
|
P
|
E
|
mm
|
C(kN)
|
C0(kN)
|
MR
|
MP
|
MY
|
|
GHH
15CA
|
28
|
4.3
|
9.5
|
34
|
26
|
4
|
26
|
39.4
|
61.4
|
10
|
5.3
|
M4×5
|
6
|
7.95
|
7.7
|
15
|
15
|
7.5
|
5.3
|
4.5
|
60
|
20
|
M4×16
|
11.38
|
16.97
|
0.12
|
0.10
|
0.10
|
|
GHH
20CA
|
30
|
4.6
|
12
|
44
|
32
|
6
|
36
|
50.5
|
77.5
|
12.25
|
12
|
M5×6
|
8
|
6
|
6
|
20
|
17.5
|
9.5
|
8.5
|
6
|
60
|
20
|
M5×16
|
17.75
|
27.76
|
0.27
|
0.20
|
0.20
|
|
GHH
20HA
|
50
|
65.2
|
92.2
|
12.6
|
21.18
|
35.9
|
0.35
|
0.35
|
0.35
|
|
GHH
25CA
|
40
|
5.5
|
12.5
|
48
|
35
|
6.5
|
35
|
58
|
84
|
15.7
|
12
|
M6×8
|
8
|
10
|
9
|
23
|
22
|
11
|
9
|
7
|
60
|
20
|
M6×20
|
26.48
|
36.49
|
0.42
|
0.33
|
0.33
|
|
GHH
25HA
|
50
|
78.6
|
104.6
|
18.5
|
32.75
|
49.44
|
0.56
|
0.57
|
0.57
|
|
GHH
30CA
|
45
|
6
|
16
|
60
|
40
|
10
|
40
|
70
|
97.4
|
20.25
|
12
|
M8×10
|
8.5
|
9.5
|
13.8
|
28
|
26
|
14
|
12
|
9
|
80
|
20
|
M8×25
|
38.74
|
52.19
|
0.66
|
0.53
|
0.53
|
|
GHH
30HA
|
60
|
93
|
120.4
|
21.75
|
47.27
|
69.16
|
0.88
|
0.92
|
0.92
|
|
GHH
35CA
|
55
|
7.5
|
18
|
70
|
50
|
10
|
50
|
80
|
112.4
|
20.6
|
12
|
M8×12
|
10.2
|
16
|
19.6
|
34
|
29
|
14
|
12
|
9
|
80
|
20
|
M8×25
|
49.52
|
69.16
|
1.16
|
0.81
|
0.81
|
|
GHH
35HA
|
72
|
105.8
|
138.2
|
22.5
|
60.21
|
91.63
|
1.54
|
1.40
|
1.40
|
|
GHH
45CA
|
70
|
9.5
|
20.5
|
86
|
60
|
13
|
60
|
97
|
139.4
|
23
|
12.9
|
M10×17
|
16
|
18.5
|
30.5
|
45
|
38
|
20
|
17
|
14
|
105
|
22.5
|
M12×35
|
77.57
|
102.71
|
1.98
|
1.55
|
1.55
|
|
GHH
45HA
|
80
|
128.8
|
171.2
|
28.9
|
94.54
|
136.46
|
2.63
|
2.68
|
2.68
|
|
GHH
55CA
|
80
|
13
|
23.5
|
100
|
75
|
12.5
|
75
|
117.7
|
166.7
|
27.35
|
12.9
|
M12×18
|
17.5
|
22
|
29
|
53
|
44
|
23
|
20
|
16
|
120
|
30
|
M14×45
|
114.44
|
148.33
|
3.69
|
2.64
|
2.64
|
|
GHH
55HA
|
95
|
155.8
|
204.8
|
36.4
|
139.35
|
196.2
|
4.88
|
4.57
|
4.57
|
|
GHH
65CA
|
90
|
15
|
31.5
|
126
|
76
|
25
|
70
|
144.2
|
200.2
|
43.1
|
12.9
|
M16×20
|
25
|
15
|
15
|
63
|
53
|
26
|
22
|
18
|
150
|
35
|
M16×50
|
163.63
|
215.33
|
6.65
|
4.27
|
4.27
|
|
GHH
65HA
|
120
|
203.6
|
259.6
|
47.8
|
208.36
|
303.13
|
9.38
|
7.38
|
7.38
|
GHW-CC / GHW-HC
|
型號
|
組件尺寸
mm
|
滑塊尺寸
mm
|
滑軌尺寸
mm
|
滑軌固定
螺栓尺寸
|
額定
動載核
|
額定
靜載核
|
容許
靜力矩
kgf.m
|
|
H
|
H1
|
N
|
W
|
B
|
B1
|
C
|
L1
|
L
|
K1
|
G
|
M
|
T
|
T1
|
H2
|
H3
|
WR
|
HR
|
D
|
h
|
d
|
P
|
E
|
mm
|
C(kN)
|
C0(kN)
|
MR
|
MP
|
MY
|
|
GHW
15CC
|
24
|
4.3
|
16
|
47
|
38
|
4.5
|
30
|
39.4
|
61.4
|
8
|
5.3
|
M5
|
6
|
8.9
|
3.95
|
3.7
|
15
|
15
|
7.5
|
5.3
|
4.5
|
60
|
20
|
M4×16
|
11.38
|
16.97
|
0.12
|
0.10
|
0.10
|
|
GHW
20CC
|
30
|
4.6
|
21.5
|
63
|
53
|
5
|
40
|
50.5
|
77.5
|
10.25
|
12
|
M6
|
8
|
10
|
6
|
6
|
20
|
17.5
|
9.5
|
8.5
|
6
|
60
|
20
|
M5×16
|
17.75
|
27.76
|
0.27
|
0.20
|
0.20
|
|
GHW
20HC
|
65.2
|
92.2
|
17.6
|
21.18
|
35.9
|
0.35
|
0.35
|
0.35
|
|
GHW
25CC
|
36
|
5.5
|
23.5
|
70
|
57
|
6.5
|
45
|
58
|
84
|
10.7
|
12
|
M8
|
8
|
14
|
6
|
5
|
23
|
22
|
11
|
9
|
7
|
60
|
20
|
M6×20
|
26.48
|
36.49
|
0.42
|
0.33
|
0.33
|
|
GHW
25HC
|
78.6
|
104.6
|
21
|
32.75
|
49.44
|
0.56
|
0.57
|
0.57
|
|
GHW
30CC
|
42
|
6
|
31
|
90
|
72
|
9
|
52
|
70
|
97.4
|
14.25
|
12
|
M10
|
8.5
|
16
|
6.5
|
10.8
|
28
|
26
|
14
|
12
|
9
|
80
|
20
|
M8×25
|
38.74
|
52.19
|
0.66
|
0.53
|
0.53
|
|
GHW
30HC
|
93
|
120.4
|
25.75
|
47.27
|
69.16
|
0.88
|
0.92
|
0.92
|
|
GHW
35CC
|
48
|
7.5
|
33
|
100
|
82
|
9
|
62
|
80
|
112.4
|
14.6
|
12
|
M10
|
10.1
|
18
|
9
|
12.6
|
34
|
29
|
14
|
12
|
9
|
80
|
20
|
M8×25
|
49.52
|
69.16
|
1.16
|
0.81
|
0.81
|
|
GHW
35HC
|
105.8
|
138.2
|
27.5
|
60.21
|
91.63
|
1.54
|
1.40
|
1.40
|
|
GHW
45CC
|
60
|
9.5
|
37.5
|
120
|
100
|
10
|
80
|
97
|
139.4
|
13
|
12.9
|
M12
|
15.1
|
22
|
8.5
|
20.5
|
45
|
38
|
20
|
17
|
14
|
105
|
22.5
|
M12×35
|
77.57
|
102.71
|
1.98
|
1.55
|
1.55
|
|
GHW
45HC
|
128.8
|
171.2
|
28.9
|
94.54
|
136.46
|
2.63
|
2.68
|
2.68
|
|
GHW
55CC
|
70
|
13
|
43.5
|
140
|
116
|
12
|
95
|
117.7
|
166.7
|
17.35
|
12.9
|
M14
|
17.5
|
26.5
|
12
|
19
|
53
|
44
|
23
|
20
|
16
|
120
|
30
|
M14×45
|
114.44
|
148.33
|
3.69
|
2.64
|
2.64
|
|
GHW
55HC
|
155.8
|
204.8
|
36.4
|
139.45
|
196.2
|
4.88
|
4.57
|
4.57
|
|
GHW
65CC
|
90
|
15
|
53.5
|
170
|
142
|
14
|
110
|
144.2
|
200.2
|
23.1
|
12.9
|
M16
|
25
|
37.5
|
15
|
15
|
63
|
53
|
26
|
22
|
18
|
150
|
35
|
M16×50
|
163.63
|
215.33
|
6.65
|
4.27
|
4.27
|
|
GHW
65HC
|
203.6
|
259.6
|
52.8
|
208.36
|
303.13
|
9.38
|
7.38
|
7.38
|
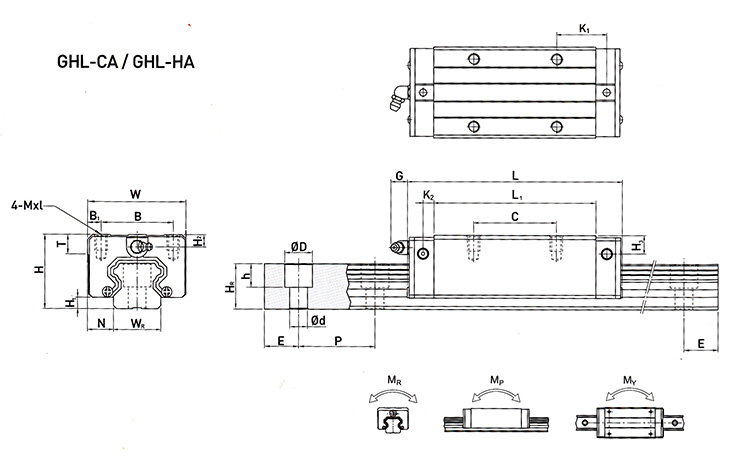
GHL-CA / GHL-HA
|
型號
|
組件尺寸
mm
|
滑塊尺寸
mm
|
滑軌尺寸
mm
|
滑軌固定
螺栓尺寸
|
額定動載核
|
額定靜載核
|
容許靜力矩
kgf.m
|
|
H
|
H1
|
N
|
W
|
B
|
B1
|
C
|
L1
|
L
|
K1
|
K2
|
G
|
M×L
|
T
|
H2
|
H3
|
WR
|
HR
|
D
|
h
|
d
|
P
|
E
|
mm
|
C(kN)
|
C0(kN)
|
MR
|
MP
|
MY
|
|
GHL
15CA
|
24
|
4.3
|
9.5
|
34
|
26
|
4
|
26
|
39.4
|
61.4
|
10
|
4.85
|
5.3
|
M4×4
|
6
|
3.95
|
3.7
|
15
|
15
|
7.5
|
5.3
|
4.5
|
60
|
20
|
M4×16
|
11.38
|
16.97
|
0.12
|
0.10
|
0.10
|
|
GHL
25CA
|
36
|
5.5
|
12.5
|
48
|
35
|
6.5
|
35
|
58
|
84
|
15.7
|
6
|
12
|
M6×6
|
8
|
6
|
5
|
23
|
22
|
11
|
9
|
7
|
60
|
20
|
M6×20
|
26.48
|
36.49
|
0.42
|
0.33
|
0.33
|
|
GHL
25HA
|
50
|
78.6
|
104.6
|
18.5
|
32.75
|
49.44
|
0.56
|
0.57
|
0.57
|
|
GHL
30CA
|
42
|
6
|
16
|
60
|
40
|
10
|
40
|
70
|
97.4
|
20.25
|
6
|
12
|
M8×10
|
8.5
|
6.5
|
10.8
|
28
|
26
|
14
|
12
|
9
|
80
|
20
|
M8×25
|
38.74
|
52.19
|
0.66
|
0.53
|
0.53
|
|
GHL
30HA
|
60
|
93
|
120.4
|
21.75
|
47.27
|
69.16
|
0.88
|
0.92
|
0.92
|
|
GHL
35CA
|
48
|
7.5
|
18
|
70
|
50
|
10
|
50
|
80
|
112.4
|
20.6
|
7
|
12
|
M8×12
|
10.2
|
9
|
12.6
|
34
|
29
|
14
|
12
|
9
|
80
|
20
|
M8×25
|
49.52
|
69.16
|
1.16
|
0.81
|
0.81
|
|
GHL
35HA
|
72
|
105.8
|
138.2
|
22.5
|
60.21
|
91.63
|
1.54
|
1.40
|
1.40
|
|
GHL
45CA
|
60
|
9.5
|
20.5
|
86
|
60
|
13
|
60
|
97
|
139.4
|
23
|
10
|
12.9
|
M10×17
|
16
|
8.5
|
20.5
|
45
|
38
|
20
|
17
|
14
|
105
|
22.5
|
M12×35
|
77.57
|
102.71
|
1.98
|
1.55
|
1.55
|
|
GHL
45HA
|
80
|
128.8
|
171.2
|
28.9
|
94.54
|
136.46
|
2.63
|
2.68
|
2.68
|
|
GHL
55CA
|
70
|
13
|
23.5
|
100
|
75
|
12.5
|
75
|
117.7
|
166.7
|
27.35
|
11
|
12.9
|
M12×18
|
17.5
|
12
|
19
|
53
|
44
|
23
|
20
|
16
|
120
|
30
|
M14×45
|
114.44
|
148.33
|
3.69
|
2.64
|
2.64
|
|
GHL
55HA
|
95
|
155.8
|
204.8
|
36.4
|
139.35
|
196.2
|
4.88
|
4.57
|
4.57
|
| | |  |
|